УЗМ-51М купить в интернет-магазине
107564, Москва, Краснобогатырская ул., д.2, стр.15., подъезд 1, этаж 2 (Офис)
107564, Москва, Краснобогатырская ул., д.2, стр.16., подъезд 2, этаж 4 (Сервис)
Почтовый адрес: 107564, г. Москва, А/Я 1

С 9:30 до 18:00

107564, Краснобогатырская ул., д.2, стр.15., подъезд 1

Заказать звонок
0 0 0
Войти
Каталог

УЗМ-51М

6 187 р.
Нашли дешевле?
Рейтинг:
Характеристики
Артикул: 09042406
Производитель: OSNOVO
Другие характеристики
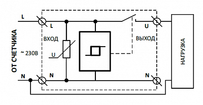
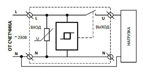
УЗМ-51М Реле контроля напряжения УЗМ-51М предназначено для отключения оборудования при выходе значения напряжения в однофазных сетях за установленные параметры и защиты оборудования от разрушающего воздействия импульсных скачков напряжения. Защита от перенапряжения(задержка срабатывания): >240-290В/(0,2с), >300В ±15%/(20мс). Защита от снижения напряжения /(задержка срабатывания): < 100-210В/(10с) и <80В±10%/(100мс). Фиксированная программируемая задержка повторного включения - 10 сек. или 6 мин.

Рейтинг товара

0.0

У данного товара пока нет отзывов

5 звёзд 4 звeзды 3 звeзды 2 звeзды 1 звeзда
0 0 0 0 0
Авторизация
Регистрация

Авторизация

Регистрация

Авторизация

  • Описание

  • Характеристики

  • Документы

  • Наличие

  • Доставка

  • Комментарии

  • Отзывы

  • Комментарии

  • Вопросы


Устройство защиты многофункциональное, предназначено для защиты электрооборудования от работы при опасном для него напряжении сети (вне рекомендованного диапазона).
  • Артикул

    09042406

  • Производитель

    OSNOVO

  • Напряжение питания

    Переменное однофазное

  • Напряжение питания AC (переменное)

    230 В

  • Частота напряжения питания (АС)

    50 Гц

  • Максимальное напряжение питания

    440 В

  • Верхний порог отключения нагрузки

    регулируемый (240-290В)

  • Верхний порог ускоренного отключения нагрузки

    300В ±15В

  • Время срабатывания защиты по верхнему порогу

    0,1с

  • Время срабатывания защиты по верхнему ускоренному порогу

    20мс

  • Время срабатывания защиты по нижнему порогу

    10с

  • Время срабатывания защиты по нижнему ускоренному порогу

    100мс

  • Время срабатывания импульсной защиты менее

    25 нс

  • Задержка включения /повторного включения нагрузки

    10сек/6мин

  • Защита от импульсных помех

    да

  • Защита от искрения/дуги

    нет

  • Макс. энергия импульса, поглощаемая встроенным варистором

    200 Дж

  • Нижний порог отключения нагрузки

    регулируемый (100-210В)

  • Нижний порог ускоренного отключения нагрузки

    80В ±5В

  • Максимальный допустимый ток короткого замыкания

    4500А

  • Номинальная мощность нагрузки (AC230В)

    14,5 кВт

  • Номинальный ток нагрузки

    63А

  • Тип контактной группы

    1 NO

  • Диапазон рабочих температур

    -25…+55°С

  • Гистерезис срабатывания

    3%

  • Относительная влажность воздуха до

    80% (при 25°С)

  • Сечение подключаемых проводников

    35 кв.мм.

  • Срок службы

    10 лет

  • Степень защиты реле по корпусу / по клеммам по ГОСТ 14254-96

    IP40/IP20

  • Вес

    0.16 кг

  • Габаритные размеры (ШхВхГ)

    35х83х67

Загрузка комментариев...
Фильтр:
Общий рейтинг (0)
  • Общий рейтинг (0)
  • (0)
  • (0)
  • (0)
  • (0)
  • (0)
Сортировать по:
Самые новые
  • Самые новые
  • Самые старые
  • Высокий рейтинг
  • Низкий рейтинг
  • Самые полезные

Ничего не найдено

Ничего не найдено

Извините, Вы не можете написать комментарий, т.к внесены в черный список.

Ничего не найдено

Рекомендуемые товары